艾上云电子是专注于工业物联网领域的高新技术企业,致力于构建数据驱动、高效协同的未来式智慧工厂。我们以“数据感知”与“智能连接”为核心能力,通过自主研发的边缘层硬件与数据集成方案,为制造企业提供从设备状态监测、能源精细管控到生产流程优化的一体化解决方案,助力企业实现数字化、智能化转型升级。
Features
Measuring range: -0.1MPa...0MPa~0.01MPa...100MPa.
With display, real-time pressure value is shown.
Zero-point and full-scale calibration are convenient.
Reverse polarity protection and current limiting protection.
Resistant to lightning strikes and pressure shocks.
High precision, high stability, and high reliability.
Application areas
Industrial process control
Hydraulic measurement
Pressure measurement in various harsh environments
Product overview
The explosion-proof digital display AI-TD pressure transmitter uses a silicon pressure sensor with a stainless steel diaphragm as the signal measurement element and employs a dedicated IC circuit for zero-point and temperature performance compensation over a wide temperature range. This pressure transmitter features an LCD digital display and is explosion-proof certified.
This product is used for pressure measurement in industrial processes such as petroleum, chemical, metallurgy, power, and hydrology.
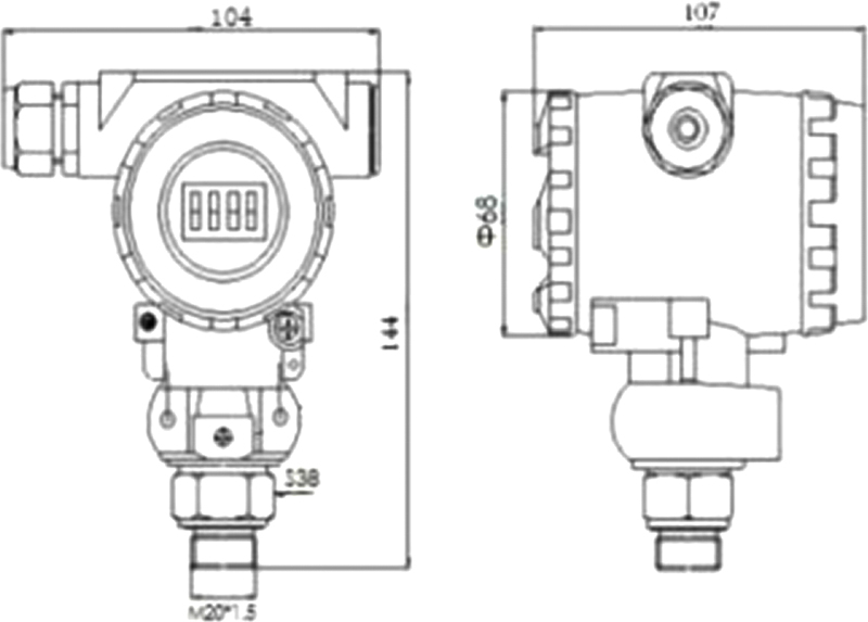
External structure: (unit: mm)
This image is for reference only; the actual product shall prevail. Pressure interfaces can be customized.

Technical parameters:
|
Pressure parameters |
||||
|
Range |
-0.1 MPa...0 MPa~0.01 MPa...100 MPa |
|||
|
Overload |
2 times full scale or 110MPa (whichever is lower) |
|||
|
Type of pressure |
Gauge pressure, absolute pressure, sealed gauge pressure |
|||
|
Electrical parameters |
||||
|
Power supply |
12~32V DC |
|||
|
Output signal |
4mA~20mA DC (two-wire system) |
|||
|
Load resistor |
≤ (U-12) /0.02Ω |
|||
|
Structural parameters |
||||
|
Enclosure |
Explosion-proof cast aluminum housing |
|||
|
Sensor |
316L stainless steel |
|||
|
Sealing ring |
Fluororubber |
|||
|
Protection level |
IP65 |
|||
|
Environmental conditions |
||||
|
Media suitability |
Various fluids that do not corrode 316L stainless steel and fluororubber |
|||
|
Compensation temperature |
- 10℃~80℃ |
|||
|
medium temperature |
-30℃~80℃ (LCD display type: -20℃~80℃) |
|||
|
Storage temperature |
-40℃~125℃ (LCD display type: -20℃~80℃) |
|||
|
Performance indicators |
||||
|
Accuracy |
≤±0.1%FS (Minimum) |
≤±0.25%FS (Typical) |
≤±0.5%FS (Maximum) |
|
|
Zero-point temperature coefficient |
±0.03%FS/℃ (≤100kPa) |
±0.02%FS/℃ (>100kPa) |
||
|
Full-scale temperature coefficient |
±0.03%FS/℃ (≤100kPa) |
±0.02%FS/℃ (>100kPa) |
||
|
Long-term stability |
±0.2%FS/year (maximum) |
|||
艾上云电子是专注于工业物联网领域的高新技术企业,致力于构建数据驱动、高效协同的未来式智慧工厂。我们以“数据感知”与“智能连接”为核心能力,通过自主研发的边缘层硬件与数据集成方案,为制造企业提供从设备状态监测、能源精细管控到生产流程优化的一体化解决方案,助力企业实现数字化、智能化转型升级。
艾上云电子是专注于工业物联网领域的高新技术企业,致力于构建数据驱动、高效协同的未来式智慧工厂。我们以“数据感知”与“智能连接”为核心能力,通过自主研发的边缘层硬件与数据集成方案,为制造企业提供从设备状态监测、能源精细管控到生产流程优化的一体化解决方案,助力企业实现数字化、智能化转型升级。 我们聚焦五大核心产品,系统构建智慧工厂的关键能力: 宽带电力载波——依托电力线路实现工业数据高效、稳定传输...
READ MORE艾上云电子是专注于工业物联网领域的高新技术企业,致力于构建数据驱动、高效协同的未来式智慧工厂。我们以“数据感知”与“智能连接”为核心能力,通过自主研发的边缘层硬件与数据集成方案,为制造企业提供从设备状态监测、能源精细管控到生产流程优化的一体化解决方案,助力企业实现数字化、智能化转型升级。 我们聚焦五大核心产品,系统构建智慧工厂的关键能力: 宽带电力载波——依托电力线路实现工业数据高效、稳定传输...
READ MORE艾上云电子是专注于工业物联网领域的高新技术企业,致力于构建数据驱动、高效协同的未来式智慧工厂。我们以“数据感知”与“智能连接”为核心能力,通过自主研发的边缘层硬件与数据集成方案,为制造企业提供从设备状态监测、能源精细管控到生产流程优化的一体化解决方案,助力企业实现数字化、智能化转型升级。 我们聚焦五大核心产品,系统构建智慧工厂的关键能力: 宽带电力载波——依托电力线路实现工业数据高效、稳定传输...
READ MORE艾上云电子是专注于工业物联网领域的高新技术企业,致力于构建数据驱动、高效协同的未来式智慧工厂。我们以“数据感知”与“智能连接”为核心能力,通过自主研发的边缘层硬件与数据集成方案,为制造企业提供从设备状态监测、能源精细管控到生产流程优化的一体化解决方案,助力企业实现数字化、智能化转型升级。 我们聚焦五大核心产品,系统构建智慧工厂的关键能力: 宽带电力载波——依托电力线路实现工业数据高效、稳定传输...
READ MORE